PRODUCTS

HJ-MSCTL (most suitable for Highbay)

The MSCTL sensor is innovative and active motion detectors with HF system 5.8GHz. Motion can be detected through plastic, glass and thin non-metal materials. except the higher mounting height 15m Max.
The sensors allow energy saving without compromising comfort. When used in combination with 1-10V dimmable LED drivers or ballasts, they can achieve 3-step dimming function, which is perfect for use in some areas that requires a light change notice before totally switch off.
Also, the 1-10V interface in the sensors can match up with stand-alone daylight sensor MSCTL, and implement daylight harvesting, means the lighting system has automated controls that either turn off or dim artificial light in response to the available daylight in the space
FEATURES:
- Automatic dimming when used in combination with 1-10V dimmable LED drivers or ballasts.
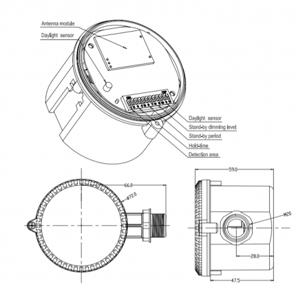
- Built-in adjustable daylight sensor.
- 1-10V interface can match up with Merrytek stand-alone
daylight sensor and achieve daylight harvesting.
- Detection area, time delay and daylight threshold can be precisely set via DIP switch.
- Wide detection area, range up to 16m in diameter and
mounting height 15M Max. suitable for warehouse use.
- Optional mounting brackets for different application

SPECIFICATIONS:

  • Code: HJ-MSCTL (most suitable for Highbay)
  • Category: LED Smart Controllers & Accessories
  • Lighting Classification: Microwave Sensor + Daylight Harvestor
  • Series Classification: Microwave Sensor + Daylight Harvestor
  • Wattage: 400W@120Vac, 800W@220-277Vac (inductive) or 800W@120Vac, 1200W@220-277Vac (resistive)
  • Operating Voltage: 120~277Vac, 50Hz/60Hz
  • Materials: n/a
  • CCT: n/a
  • Lumens: n/a
  • Cut-Out Size: n/a
  • Dimensions: n/a
  • Beam Angle: n/a
  • CRI: n/a
  • IP Rating: IP65
  • LED Brand: n/a
  • Driver Brand: n/a
  • Rate Lifespan: n/a
  • Tiltability: n/a
  • Dimmability: Stand by 10% / 20% / 30% / 50%
  • Special Feature: HF system:5.8GHz±75MHz, ISM wave band
  • Installation Methods:
    • Surface Mounted